![]() РПГ08И
|
|
Назначение, особенности и область применения
Датчики серии РПГ08 предназначены для измерения давления в жидкостях и газах. Выходной сигнал датчиков термокомпенсирован во всем рабочем диапазоне температур. Варианты исполнения датчиков данной серии предназначены для применения как в общепромышленных целях, так и для решения специализированных задач. Руководство по эксплуатации датчика РПГ08И можно найти здесь. |
![]() Техническая информация
|
|||||||||||||||||||||||||||||||||||||||||||||
|
Основные технические параметры
2Давление, после воздействия которого может потребиваться перекалибровка датчика. 3Только для датчиков с аналоговым выходным сигналом. 4Только для датчиков с цифровым выходным сигналом. 5Диапазон значений 0,2…200 только для датчиков с аналоговым выходным сигналом. |
|||||||||||||||||||||||||||||||||||||||||||||
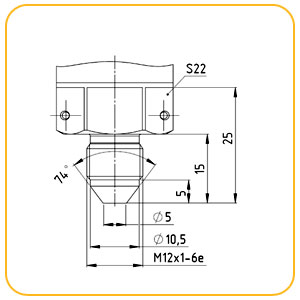
![]() Габаритные размеры и присоединения
|
|||||||||||||||||||||||||||||||||||||||||||||||||||||||||||||||||||||||||||||||||||||||||||||||||||||||||||
|
Присоединения
|
|||||||||||||||||||||||||||||||||||||||||||||||||||||||||||||||||||||||||||||||||||||||||||||||||||||||||||
![]() Типы выходных сигналов
|
|||||||||||||||||||||||||||||||||||||||||||||||||||||||||||||||||||||||||
|
Аналоговый сигнал, унифицированный по напряжению 0,5 ÷ 4,5 В
Рекомендуемая схема подключения
Аналоговый выходной сигнал, унифицированный по току 4 ÷ 20 мА
Схема подключения
![]()
Цифровой интерфейс RS485
В
качестве коммуникационного протокола используется MODBUS RTU. MODBUS —
коммуникационный протокол, основанный на архитектуре «клиент-сервер».
Широко применяется в промышленности для организации связи между
электронными устройствами. Может использовать для передачи данных
последовательные линии связи RS485, RS422, RS232, а также сети TCP/IP
(MODBUS TCP). Поддерживается практически всеми SCADA системами.
Относится к протоколам прикладного уровня сетевой модели OSI.
Контроллеры на шине взаимодействуют, используя клиент-серверную модель,
основанную на транзакциях, состоящих из запроса и ответа. Главное
устройство (англ. master) инициирует транзакции (передаёт запросы).
Подчиненные (slaves) устройства передают запрашиваемые главным
устройством данные, или производят запрашиваемые действия. Подчиненное
устройство формирует сообщение и возвращает его в ответ на запрос,
адресованный именно ему. Широкий диапазон напряжения питания, полная гальваническая развязка по питанию и линиям данных, искробезопасные и взрывозащищенный варианты исполнения позволяют использовать датчики с данной реализацией интерфейса во взрывоопасных зонах в соответствии с установленной маркировкой взрывозащиты.
![]()
|
|||||||||||||||||||||||||||||||||||||||||||||||||||||||||||||||||||||||||



